Q5/08-FH12-50

Kotva oceľová pre veľké zaťaženie so zápustnou hlavou

Materiál: Oceľ, Povrchová úprava: Zinok, L: 125, Použitie: Kotvenie, M: 8, d: 12

€3,23
bez DPH
€3,97
s DPH


KS
Skladová dostupnosť
SK Krompachy > 5000
SK Banská Bystrica 95
SK Bratislava R1 63

Kontakt

Pre viac informácii kontaktujte nášho obchodníka:

objednavky@umakov.sk; info@umakov.sk
+421 908 986 081, +421 908 994 153

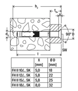
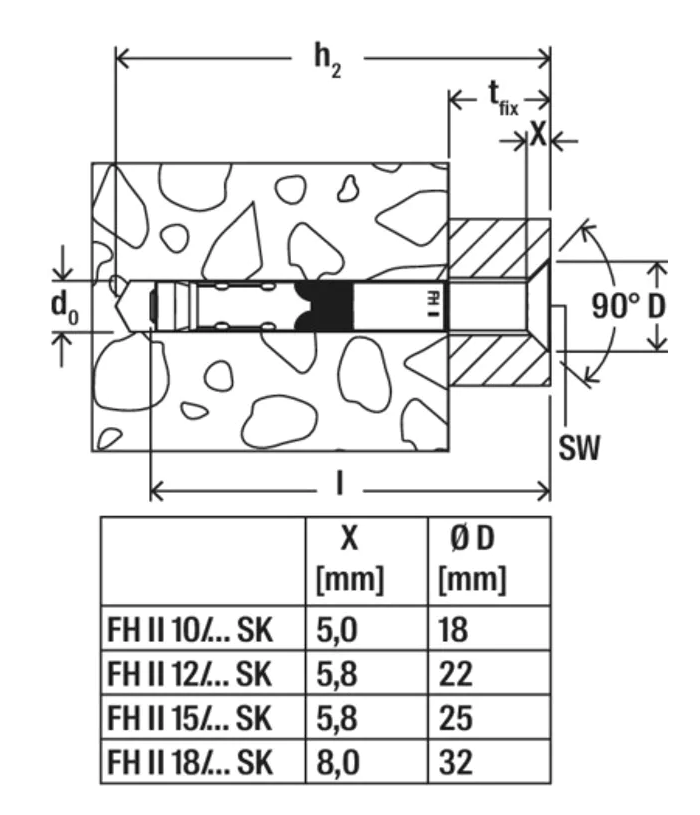
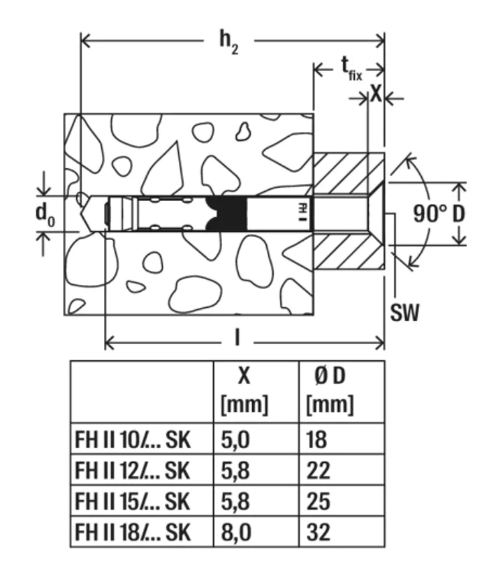
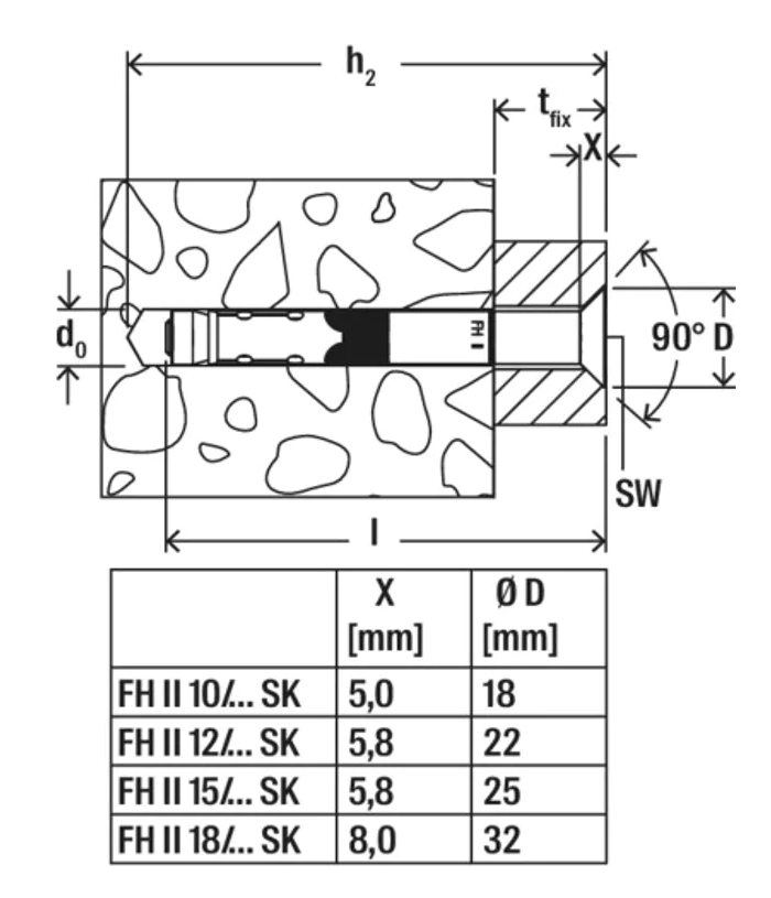
Popis

Fischer FH II SK je vysoko záťažová plášťová kotva z galvanicky zinkovanej ocele s skrutkou so zápustnou hlavou.
Prievlačná montáž šetrí čas.
Pri uťahovaní skrutky je rozperný kužeľ vťahovaný do tela kotvy a zaprie ho proti stene vyvŕtaného otvoru. Čierny prstenec z plastu zabraňuje rozpernej časti v pretočení a absorbuje posun kotvy pri uťahovaní. Tým je kotvený predmet priťahovaný ku kotevnému podkladu.
Kotva pre vysoké záťaženie je vhodná na upevnenie zábradlí, schodiskových konštrukcií a rebríkov do trhlinového a netrhlinového betónu.

Zápustná hlava je vhodná pre montáž do roviny s povrchom upevňovaného predmetu.
Medzinárodne certifikáty garantujú najvyššiu bezpečnosť a ETA umožňuje použiť kotvu pre aplikácie v oblastiach so seizmickým zaťažením kategórie C1 a C2.
Spolupôsobenie skrutky a plášťa kotvy značne zvyšuje šmykovú únosnosť, a tak je možné znížiť počet kotevných bodov.
Optimalizovaný tvar kotvy šetrí silu pri jej osadzovaní

Osvedčenie ETA: ÁNO
Priemer vrtáku (d0): 12 mm
Min. hĺbka vŕtaného otvoru pri prievlačnej montáži (h2): 130 mm
Max. hrúbka upevňovaného predmetu (t fix): 50 mm
Závit (M): M8
Obal: Krabička
Balenie: 25Ks
GTIN (EAN-Code): 4006209449196
Seizmický certifikát: C1 / C2

Parametre

Materiál
Definuje materiál, z ktorého je výrobok vyrobený
Oceľ
Povrchová úprava
Konečný stav povrchu výrobku.
Zinok
L
Dĺžkový parameter produktu
125
Použitie
Kotvenie
d
12
M
8

Katalog

Povinný sortiment

Celosklenené zábradlie-profil-vrchné kotvenie AL/E AL/0004-S-E-90-OUT

Materiál
Hliník
Povrchová úprava
Satin-ELOX
Glass t
12,00-21,52
Povinné príslušenstvo
€74,13
bez DPH
€91,18 s DPH
Skladom (26 KS)
KS
Povinné príslušenstvo

Celosklenené zábradlie-profil-vrchné kotvenie AL/0004-5000-S-E

Materiál
Hliník
Povrchová úprava
Satin-ELOX
Glass t
12,00-21,52
Povinné príslušenstvo
€347,17
bez DPH
€427,02 s DPH
Skladom (1364 KS)
KS

Celosklenené zábradlie-profil-vrchné kotvenie AL/0004-2500-S-E

Materiál
Hliník
Povrchová úprava
Satin-ELOX
Glass t
12,00-21,52
Povinné príslušenstvo
€180,73
bez DPH
€222,30 s DPH
Skladom (718 KS)
KS

Celosklenené zábradlie-profil-vrchné kotvenie AL/0004-1250-S-E

Materiál
Hliník
Povrchová úprava
Satin-ELOX
Glass t
12,00-21,52
Povinné príslušenstvo
€90,43
bez DPH
€111,23 s DPH
veľmi málo skladom (7 KS)
KS

Celosklenené zábradlie-profil-vrchné kotvenie AL/0004-5000-S-E

Materiál
Hliník
Povrchová úprava
Satin-ELOX
Glass t
12,00-21,52
Povinné príslušenstvo
€347,17
bez DPH
€427,02 s DPH
Skladom (1364 KS)
KS
Alternatívny tovar
Povinné príslušenstvo

Celosklenené zábradlie-profil-horný-vnút.odvodnený AL/0004-5000-S-E-Drain

Materiál
Hliník
Povrchová úprava
Satin-ELOX
Glass t
12,00-21,52
Povinné príslušenstvo
€382,97
bez DPH
€471,05 s DPH
Skladom (98 KS)
KS

Celosklenené zábradlie-profil-vrchné kotvenie AL/0004-2500-S-E

Materiál
Hliník
Povrchová úprava
Satin-ELOX
Glass t
12,00-21,52
Povinné príslušenstvo
€180,73
bez DPH
€222,30 s DPH
Skladom (718 KS)
KS

Celosklenené zábradlie-profil-vrchné kotvenie AL/0004-6000-S-E

Materiál
Hliník
Povrchová úprava
Satin-ELOX
Glass t
12,00-21,52
Povinné príslušenstvo
€413,35
bez DPH
€508,42 s DPH
Skladom (455 KS)
KS

Celosklenené zábradlie-profil dutý-vrchné kotvenie AL/0004-ECO-5000-S-E

Materiál
Hliník
Povrchová úprava
Satin-ELOX
Glass t
12,00-21,52
Povinné príslušenstvo
€311,14
bez DPH
€382,70 s DPH
Skladom (545 KS)
KS

Nerezová kotva A5/08-105x11xM8

Materiál
Nerez AISI 304
Povrchová úprava
Natural
Použitie
Kotvenie
€3,46
bez DPH
€4,26 s DPH
Skladom (4329 KS)
KS

Pomôcka na montaž skla do AL PRO profilov AL/glass-mont-PRO

Materiál
Nerez AISI 304
Povrchová úprava
Natural
€19,66
bez DPH
€24,18 s DPH
Skladom (57 KS)
KS

Kotva chemická 300ml - Polyester Q5/01GFP-300

Materiál
Chémia
Použitie
Kotvenie
Povinné príslušenstvo
€9,10
bez DPH
€11,19 s DPH
Skladom (330 KS)
KS

Kotva oceľová VI-IG M8 Q5/08-VI-IG-M8-100/S

Materiál
Oceľ
L
100
Použitie
Kotvenie
Nie je na sklade
€0,00
bez DPH
€0,00 s DPH
Objednané
KS

Kotva nerezová VI-IG M8 A5/08-VI-IG-M8-100/A4

Materiál
Nerez AISI 316
Použitie
Kotvenie
M
8
Nie je na sklade
€0,00
bez DPH
€0,00 s DPH
Objednané
KS

Kužeľová skrutka + kuž. podložka, M8, Zn, SW=T40 W-DIN 7991 M8x20-P

Materiál
Oceľ
Povrchová úprava
Zinok
Povinné príslušenstvo
€4,66
bez DPH
€5,73 s DPH
veľmi málo skladom (4 KS)
KS

Kotva oceľová pre veľké zaťaženie so zápustnou hlavou Q5/08-FH12-50

Materiál
Oceľ
Povrchová úprava
Zinok
L
125
Povinné príslušenstvo
€3,23
bez DPH
€3,97 s DPH
Skladom (21590 KS)
KS

Celosklenené zábradlie-profil-vrchné kotvenie AL/0004-2500-S-E

Materiál
Hliník
Povrchová úprava
Satin-ELOX
Glass t
12,00-21,52
Povinné príslušenstvo
€180,73
bez DPH
€222,30 s DPH
Skladom (718 KS)
KS
Alternatívny tovar
Povinné príslušenstvo

Celosklenené zábradlie-profil-vrchné kotvenie AL/0004-5000-S-E

Materiál
Hliník
Povrchová úprava
Satin-ELOX
Glass t
12,00-21,52
Povinné príslušenstvo
€347,17
bez DPH
€427,02 s DPH
Skladom (1364 KS)
KS

Celosklenené zábradlie-profil-vrchné kotvenie AL/0004-6000-S-E

Materiál
Hliník
Povrchová úprava
Satin-ELOX
Glass t
12,00-21,52
Povinné príslušenstvo
€413,35
bez DPH
€508,42 s DPH
Skladom (455 KS)
KS

Celosklenené zábradlie-profil dutý-vrchné kotvenie AL/0004-ECO-2500-S-E

Materiál
Hliník
Povrchová úprava
Satin-ELOX
Glass t
12,00-21,52
Povinné príslušenstvo
€158,00
bez DPH
€194,34 s DPH
Skladom (251 KS)
KS

Nerezová kotva A5/08-105x11xM8

Materiál
Nerez AISI 304
Povrchová úprava
Natural
Použitie
Kotvenie
€3,46
bez DPH
€4,26 s DPH
Skladom (4329 KS)
KS

Pomôcka na montaž skla do AL PRO profilov AL/glass-mont-PRO

Materiál
Nerez AISI 304
Povrchová úprava
Natural
€19,66
bez DPH
€24,18 s DPH
Skladom (57 KS)
KS

Kotva oceľová VI-IG M8 Q5/08-VI-IG-M8-100/S

Materiál
Oceľ
L
100
Použitie
Kotvenie
Nie je na sklade
€0,00
bez DPH
€0,00 s DPH
Objednané
KS

Kotva nerezová VI-IG M8 A5/08-VI-IG-M8-100/A4

Materiál
Nerez AISI 316
Použitie
Kotvenie
M
8
Nie je na sklade
€0,00
bez DPH
€0,00 s DPH
Objednané
KS

Kužeľová skrutka + kuž. podložka, M8, Zn, SW=T40 W-DIN 7991 M8x20-P

Materiál
Oceľ
Povrchová úprava
Zinok
Povinné príslušenstvo
€4,66
bez DPH
€5,73 s DPH
veľmi málo skladom (4 KS)
KS

Kotva oceľová pre veľké zaťaženie so zápustnou hlavou Q5/08-FH12-50

Materiál
Oceľ
Povrchová úprava
Zinok
L
125
Povinné príslušenstvo
€3,23
bez DPH
€3,97 s DPH
Skladom (21590 KS)
KS

Celosklenené zábradlie-profil-vrchné kotvenie AL/0004-1250-S-E

Materiál
Hliník
Povrchová úprava
Satin-ELOX
Glass t
12,00-21,52
Povinné príslušenstvo
€90,43
bez DPH
€111,23 s DPH
veľmi málo skladom (7 KS)
KS
Alternatívny tovar
Povinné príslušenstvo

Celosklenené zábradlie-profil-vrchné kotvenie AL/0004-5000-S-E

Materiál
Hliník
Povrchová úprava
Satin-ELOX
Glass t
12,00-21,52
Povinné príslušenstvo
€347,17
bez DPH
€427,02 s DPH
Skladom (1364 KS)
KS

Celosklenené zábradlie-profil-vrchné kotvenie AL/0004-2500-S-E

Materiál
Hliník
Povrchová úprava
Satin-ELOX
Glass t
12,00-21,52
Povinné príslušenstvo
€180,73
bez DPH
€222,30 s DPH
Skladom (718 KS)
KS

Kotva nerezová VI-IG M8 A5/08-VI-IG-M8-100/A4

Materiál
Nerez AISI 316
Použitie
Kotvenie
M
8
Nie je na sklade
€0,00
bez DPH
€0,00 s DPH
Objednané
KS

Pomôcka na montaž skla do AL PRO profilov AL/glass-mont-PRO

Materiál
Nerez AISI 304
Povrchová úprava
Natural
€19,66
bez DPH
€24,18 s DPH
Skladom (57 KS)
KS

Kotva oceľová VI-IG M8 Q5/08-VI-IG-M8-100/S

Materiál
Oceľ
L
100
Použitie
Kotvenie
Nie je na sklade
€0,00
bez DPH
€0,00 s DPH
Objednané
KS

Kotva oceľová pre veľké zaťaženie so zápustnou hlavou Q5/08-FH12-50

Materiál
Oceľ
Povrchová úprava
Zinok
L
125
Povinné príslušenstvo
€3,23
bez DPH
€3,97 s DPH
Skladom (21590 KS)
KS

Nerezová kotva A5/08-105x11xM8

Materiál
Nerez AISI 304
Povrchová úprava
Natural
Použitie
Kotvenie
€3,46
bez DPH
€4,26 s DPH
Skladom (4329 KS)
KS

Kužeľová skrutka + kuž. podložka, M8, Zn, SW=T40 W-DIN 7991 M8x20-P

Materiál
Oceľ
Povrchová úprava
Zinok
Povinné príslušenstvo
€4,66
bez DPH
€5,73 s DPH
veľmi málo skladom (4 KS)
KS

Celosklenené zábradlie-profil-vrchné kotvenie AL/0008-5000-S-E

Materiál
Hliník
Povrchová úprava
Satin-ELOX
Glass t
21,52-25,52
€612,69
bez DPH
€753,61 s DPH
Skladom (192 KS)
KS
Alternatívny tovar

Celosklenené zábradlie-profil-vrchné kotvenie AL/0008-2500-S-E

Materiál
Hliník
Povrchová úprava
Satin-ELOX
Glass t
21,52-25,52
€310,84
bez DPH
€382,33 s DPH
Skladom (32 KS)
KS

Celosklenené zábradlie-profil-bočné kotvenie AL/0009-5000-S-E

Materiál
Hliník
Povrchová úprava
Satin-ELOX
Glass t
21,52-25,52
Povinné príslušenstvo
Nie je na sklade
€526,06
bez DPH
€647,05 s DPH
Objednané
KS
Alternatívny tovar
Povinné príslušenstvo

Celosklenené zábradlie-profil-bočné kotvenie AL/0009-2500-S-E

Materiál
Hliník
Povrchová úprava
Satin-ELOX
Glass t
21,52-25,52
Povinné príslušenstvo
€287,04
bez DPH
€353,06 s DPH
Skladom (38 KS)
KS

Celosklenené zábradlie-roh. profil-bočné kotvenie AL/0009-S-E-90-IN

Materiál
Hliník
Povrchová úprava
Satin-ELOX
Glass t
21,52-25,52
Povinné príslušenstvo
Nie je na sklade
€118,91
bez DPH
€146,26 s DPH
Objednané
KS

Celosklenené zábradlie-roh. profil-bočné kotvenie AL/0009-S-E-90-OUT

Materiál
Hliník
Povrchová úprava
Satin-ELOX
Glass t
21,52-25,52
Povinné príslušenstvo
Nie je na sklade
€117,04
bez DPH
€143,96 s DPH
Objednané
KS

Celosklenené zábradlie-profil-vrchné kotvenie AL/0004-6000-S-E

Materiál
Hliník
Povrchová úprava
Satin-ELOX
Glass t
12,00-21,52
Povinné príslušenstvo
€413,35
bez DPH
€508,42 s DPH
Skladom (455 KS)
KS
Alternatívny tovar
Povinné príslušenstvo

Celosklenené zábradlie-profil-vrchné kotvenie AL/0004-5000-S-E

Materiál
Hliník
Povrchová úprava
Satin-ELOX
Glass t
12,00-21,52
Povinné príslušenstvo
€347,17
bez DPH
€427,02 s DPH
Skladom (1364 KS)
KS

Celosklenené zábradlie-profil-vrchné kotvenie AL/0004-2500-S-E

Materiál
Hliník
Povrchová úprava
Satin-ELOX
Glass t
12,00-21,52
Povinné príslušenstvo
€180,73
bez DPH
€222,30 s DPH
Skladom (718 KS)
KS

Celosklenené zábradlie-profil dutý-vrchné kotvenie AL/0004-ECO-6000-S-E

Materiál
Hliník
Povrchová úprava
Satin-ELOX
Glass t
12,00-21,52
Povinné príslušenstvo
€371,73
bez DPH
€457,23 s DPH
Skladom (786 KS)
KS

Nerezová kotva A5/08-105x11xM8

Materiál
Nerez AISI 304
Povrchová úprava
Natural
Použitie
Kotvenie
€3,46
bez DPH
€4,26 s DPH
Skladom (4329 KS)
KS

Pomôcka na montaž skla do AL PRO profilov AL/glass-mont-PRO

Materiál
Nerez AISI 304
Povrchová úprava
Natural
€19,66
bez DPH
€24,18 s DPH
Skladom (57 KS)
KS

Set - kotvenie pre sklo A19/0004-021-06.0

Materiál
EPDM/Plast
Glass t
20,76
L
6000
€49,77
bez DPH
€61,22 s DPH
Skladom (132 KS)
SADA

Set - kotvenie pre sklo A19/0004-022-06.0

Materiál
EPDM/Plast
Glass t
21,52
L
6000
€49,77
bez DPH
€61,22 s DPH
Skladom (132 KS)
SADA

Kotva oceľová pre veľké zaťaženie so zápustnou hlavou Q5/08-FH12-50

Materiál
Oceľ
Povrchová úprava
Zinok
L
125
Povinné príslušenstvo
€3,23
bez DPH
€3,97 s DPH
Skladom (21590 KS)
KS

Kotva oceľová VI-IG M8 Q5/08-VI-IG-M8-100/S

Materiál
Oceľ
L
100
Použitie
Kotvenie
Nie je na sklade
€0,00
bez DPH
€0,00 s DPH
Objednané
KS

Kotva nerezová VI-IG M8 A5/08-VI-IG-M8-100/A4

Materiál
Nerez AISI 316
Použitie
Kotvenie
M
8
Nie je na sklade
€0,00
bez DPH
€0,00 s DPH
Objednané
KS

Kužeľová skrutka + kuž. podložka, M8, Zn, SW=T40 W-DIN 7991 M8x20-P

Materiál
Oceľ
Povrchová úprava
Zinok
Povinné príslušenstvo
€4,66
bez DPH
€5,73 s DPH
veľmi málo skladom (4 KS)
KS

Alternatívne produkty

Vysokovýkonná kotva so zápustnou hlavou M8 Q5/08-12-125

Materiál
Oceľ
Povrchová úprava
Zinok
L
120
€2,30
bez DPH
€2,83 s DPH
Skladom (3210 KS)
KS
Alternatívny tovar

Kotva oceľová pre veľké zaťaženie so zápustnou hlavou Q5/08-FH12-50

Materiál
Oceľ
Povrchová úprava
Zinok
L
125
Povinné príslušenstvo
€3,23
bez DPH
€3,97 s DPH
Skladom (21590 KS)
KS

Vysokovýkonná kotva so zápustnou hlavou M8, nerezová A5/08-12-125

Materiál
Nerez AISI 304
Povrchová úprava
Natural
L
120
€4,09
bez DPH
€5,03 s DPH
Skladom (4248 KS)
KS

Vysokovýkonná kotva so zápustnou hlavou M8, nerezová A5/08-12-125

Materiál
Nerez AISI 304
Povrchová úprava
Natural
L
120
€4,09
bez DPH
€5,03 s DPH
Skladom (4248 KS)
KS
Alternatívny tovar

Kotva oceľová pre veľké zaťaženie so zápustnou hlavou Q5/08-FH12-50

Materiál
Oceľ
Povrchová úprava
Zinok
L
125
Povinné príslušenstvo
€3,23
bez DPH
€3,97 s DPH
Skladom (21590 KS)
KS

Vysokovýkonná kotva so zápustnou hlavou M8 Q5/08-12-125

Materiál
Oceľ
Povrchová úprava
Zinok
L
120
€2,30
bez DPH
€2,83 s DPH
Skladom (3210 KS)
KS

Vysokovýkonná kotva so zápustnou hlavou M8 Q5/08-HAZ-M8-80SK/S

Materiál
Oceľ
Povrchová úprava
Zinok
L
80
€3,57
bez DPH
€4,39 s DPH
veľmi málo skladom (2 KS)
KS
Alternatívny tovar

Kotva pre stredne ťažké zaťaženie so zápustnou hlavou M8 Q5/08-M8-75SK/S

Materiál
Oceľ
Povrchová úprava
Zinok
L
75
€1,62
bez DPH
€1,99 s DPH
Skladom (776 KS)
KS

Kotva oceľová pre veľké zaťaženie so zápustnou hlavou Q5/08-FH12-50

Materiál
Oceľ
Povrchová úprava
Zinok
L
125
Povinné príslušenstvo
€3,23
bez DPH
€3,97 s DPH
Skladom (21590 KS)
KS

Nerezová kotva A5/08-105x11xM8

Materiál
Nerez AISI 304
Povrchová úprava
Natural
Použitie
Kotvenie
€3,46
bez DPH
€4,26 s DPH
Skladom (4329 KS)
KS
Alternatívny tovar

Nerezová kotva, AISI 316 A14/08-105x11xM8

Materiál
Nerez AISI 316
Povrchová úprava
Natural
Použitie
Kotvenie
€3,70
bez DPH
€4,55 s DPH
Skladom (1757 KS)
KS

Nerezová kotva M8, L=140mm A19/27-M8

Materiál
Nerez AISI 304
Povrchová úprava
Brus
Tvar prierezu
Kruhová tyč
€3,16
bez DPH
€3,89 s DPH
Skladom (2192 KS)
KS
Heavy duty anchor with countersunk screw
umakovshop-com

Kotva oceľová pre veľké zaťaženie so zápustnou hlavou

€3,23
Fischer FH II SK je vysoko záťažová plášťová kotva z galvanicky zinkovanej ocele s skrutkou so zápustnou hlavou.
Prievlačná montáž šetrí čas.
Pri uťahovaní skrutky je rozperný kužeľ vťahovaný do tela kotvy a zaprie ho proti stene vyvŕtaného otvoru. Čierny prstenec z plastu zabraňuje rozpernej časti v pretočení a absorbuje posun kotvy pri uťahovaní. Tým je kotvený predmet priťahovaný ku kotevnému podkladu.
Kotva pre vysoké záťaženie je vhodná na upevnenie zábradlí, schodiskových konštrukcií a rebríkov do trhlinového a netrhlinového betónu.

Zápustná hlava je vhodná pre montáž do roviny s povrchom upevňovaného predmetu.
Medzinárodne certifikáty garantujú najvyššiu bezpečnosť a ETA umožňuje použiť kotvu pre aplikácie v oblastiach so seizmickým zaťažením kategórie C1 a C2.
Spolupôsobenie skrutky a plášťa kotvy značne zvyšuje šmykovú únosnosť, a tak je možné znížiť počet kotevných bodov.
Optimalizovaný tvar kotvy šetrí silu pri jej osadzovaní

Osvedčenie ETA: ÁNO
Priemer vrtáku (d0): 12 mm
Min. hĺbka vŕtaného otvoru pri prievlačnej montáži (h2): 130 mm
Max. hrúbka upevňovaného predmetu (t fix): 50 mm
Závit (M): M8
Obal: Krabička
Balenie: 25Ks
GTIN (EAN-Code): 4006209449196
Seizmický certifikát: C1 / C2
Zobraz produkt